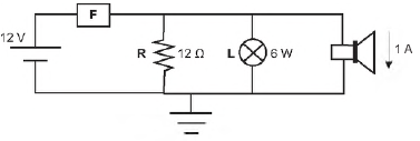
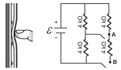
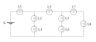
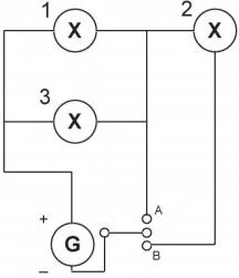
Eletricidade – Simulado ENEM (ENEM2010) O elemento de armazenamento de carga análogo ao exposto no segundo sistema e a aplicação cotidiana correspondente são, respectivamente, a) receptores — televisor b) resistores — chuveiro elétrico c) geradores — telefone celular d) fusíveis — caixa de força residencial e) capacitores — flash de máquina fotográfica (ENEM2010) Mantendo-se as mesmas dimensões geométricas, o fio que apresenta menor resistência elétrica é aquele feito de a) tungstênio b) alumínio c) ferro d) cobre e) prata (ENEM2010) O princípio de funcionamento desse equipamento é explicado pelo fato de que a a) corrente elétrica no circuito fechado gera um campo magnético nessa região b) bobina imersa no campo magnético em circuito fechado gera uma corrente elétrica c) bobina em atrito com o campo magnético no circuito fechado gera uma corrente elétrica d) corrente elétrica é gerada em circuito fechado por causa da presença do campo magnético e) corrente elétrica é gerada em circuito fechado quando há variação do campo magnético (ENEM2010) Deseja-se que o chuveiro funcione em qualquer uma das três posições de regulagem de temperatura, sem que haja riscos de incêndio. Qual deve ser o valor mínimo adequado do disjuntor a ser utilizado? a) 40 A b) 30 A c) 25 A d) 23 A e) 20 A (ENEM2009) Considere-se que um auditório possua capacidade para 40 pessoas, cada uma produzindo uma quantidade média de calor, e que praticamente todo o calor que flui para fora do auditório o faz por meio dos aparelhos de ar- condicionado. Nessa situação, entre as informações listadas, aquelas essenciais para se determinar quantos e/ou quais aparelhos de ar-condicionado são precisos para manter, com lotação máxima, a temperatura interna do auditório agradável e constante, bem como determinar a espessura da fiação do circuito elétrico para a ligação desses aparelhos, são a) vazão de ar e potência b) vazão de ar e corrente elétrica - ciclo frio c) eficiência energética e potência d) capacidade de refrigeração e frequência e) capacidade de refrigeração e corrente elétrica - ciclo frio (ENEM2009) a) 4070 b) 4270 c) 4320 d) 4390 e) 4470 (ENEM2009) Considere a seguinte situação hipotética: ao preparar o palco para a apresentação de uma peça de teatro, o iluminador deveria colocar três atores sob luzes que tinham igual brilho e os demais, sob luzes de menor brilho. O iluminador determinou, então, aos técnicos, que instalassem no palco oito lâmpadas incandescentes com a mesma especificação (L1 a L8), interligadas em um circuito com uma bateria, conforme mostra a figura. Nessa situação, quais são as três lâmpadas que acendem com o mesmo brilho por apresentarem igual valor de corrente fluindo nelas, sob as quais devem se posicionar os três atores? a) L1, L2 e L3 b) L2, L3 e L4 c) L2, L5 e L7 d) L4, L5 e L6 e) L4, L7 e L8 (ENEM2005) Podemos estimar o consumo de energia elétrica de uma casa considerando as principais fontes desse consumo. Pense na situação em que apenas os aparelhos que constam da tabela abaixo fossem utilizados diariamente da mesma forma.Tabela: A tabela fornece a potência e o tempo efetivo de uso diário de cada aparelho doméstico.Supondo que o mês tenha 30 dias e que o custo de 1 KWh é de R$ 0,40, o consumo de energia elétrica mensal dessa casa, é de aproximadamente a) R$ 135 b) R$ 165 c) R$ 190 d) R$ 210 e) R$ 230 (ENEM2006) Não é nova a idéia de se extrair energia dos oceanos aproveitando-se a diferença das marés alta e baixa. Em 1967, os franceses instalaram a primeira usina “maré-motriz”, construindo uma barragem equipada de 24 turbinas, aproveitando-se a potência máxima instalada de 240 MW, suficiente para a demanda de uma cidade com 200 mil habitantes. Aproximadamente 10% da potência total instalada são demandados pelo consumo residencial. Nessa cidade francesa, aos domingos, quando parcela dos setores industrial e comercial pára, a demanda diminui 40%. Assim, a produção de energia correspondente à demanda aos domingos será atingida mantendo-seI todas as turbinas em funcionamento, com 60% da capacidade máxima de produção de cada uma delas.II a metade das turbinas funcionando em capacidade máxima e o restante, com 20% da capacidade máxima.III quatorze turbinas funcionando em capacidade máxima, uma com 40% da capacidade máxima e as demais desligadas.Está correta a situação descrita a) apenas em I b) apenas em II c) apenas em I e III d) apenas em II e III e) em I, II e III (ENEM2007) Com o projeto de mochila ilustrado acima, pretende-se aproveitar, na geração de energia elétrica para acionar dispositivos eletrônicos portáteis, parte da energia desperdiçada no ato de caminhar. As transformações de energia envolvidas na produção de eletricidade enquanto uma pessoa caminha com essa mochila podem ser assim esquematizadas:As energias I e II, representadas no esquema acima, podem ser identificadas, respectivamente, como a) cinética e elétrica b) térmica e cinética c) térmica e elétrica d) sonora e térmica e) radiante e elétrica (ENEM2011) Em um manual de um chuveiro elétrico são encontradas informações sobre algumas características técnicas, ilustradas no quadro, como a tensão de alimentação, a potência dissipada, o dimensionamento do disjuntor ou fusível, e a área da seção transversal dos condutores utilizados.Uma pessoa adquiriu um chuveiro do modelo A e, ao ler o manual, verificou que precisava ligá-lo a um disjuntor de 50 amperes. No entanto, intrigou-se com o fato de que o disjuntor a ser utilizado para uma correta instalação de um chuveiro do modelo B devia possuir amperagem 40% menor.Considerando-se os chuveiros de modelos A e B, funcionando à mesma potência de 4 400 W, a razão entre as suas respectivas resistências elétricas, RA e RB, que justifica a diferença de dimensionamento dos disjuntores, é mais próxima de: a) 0,3 b) 0,6 c) 0,8 d) 1,7 e) 3,0 (ENEM2011) Um curioso estudante, empolgado com a aula de circuito elétrico que assistiu na escola, resolve desmontar sua lanterna. Utilizando-se da lâmpada e da pilha, retiradas do equipamento, e de um fio com as extremidades descascadas, faz as seguintes ligações com a intenção de acender a lâmpada:Tendo por base os esquemas mostrados, em quais casos a lâmpada acendeu? a) (1), (3), (6) b) (3), (4), (5) c) (1), (3), (5) d) (1), (3), (7) e) (1), (2), (5) (ENEM2012) A eficiência de uma lâmpada incandescente de 40 W é a) maior que a de uma lâmpada fluorescente de 8 W, que produz menor quantidade de luz b) maior que a de uma lâmpada fluorescente de 40 W, que produz menor quantidade de luz c) menor que a de uma lâmpada fluorescente de 8 W, que produz a mesma quantidade de luz d) menor que a de uma lâmpada fluorescente de 40 W, pois consome maior quantidade de energia e) igual a de uma lâmpada fluorescente de 40 W, que consome a mesma quantidade de energia (ENEM2012) Para ligar ou desligar uma mesma lâmpada a partir de dois interruptores, conectam-se os interruptores para que a mudança de posição de um deles faça ligar ou desligar a lâmpada, não importando qual a posição do outro. Esta ligação é conhecida como interruptores paralelos. Este interruptor é uma chave de duas posições constituída por um polo e dois terminais, conforme mostrado nas figuras de um mesmo interruptor. Na Posição I a chave conecta o polo ao terminal superior, e na Posição II a chave o conecta ao terminal inferior.O circuito que cumpre a finalidade de funcionamento descrita no texto é: a) b) c) d) e) (ENEM2010) Todo carro possui uma caixa de fusíveis, que são utilizados para proteção dos circuitos elétricos. Os fusíveis são constituídos de um material de baixo ponto de fusão, como o estanho, por exemplo, e se fundem quando percorridos por uma corrente elétrica igual ou maior do que aquela que são capazes de suportar. O quadro a seguir mostra uma série de fusíveis e os valores de corrente por eles suportados.Fusível Corrente Elétrica (A)Azul 1,5Amarelo 2,5Larania 5,0Preto 7,5Vermelho 10,0Um farol usa uma lâmpada de gás halogênio de 55 W de potência que opera com 36 V. Os dois faróis são ligados separadamente, com um fusível para cada um, mas, após um mau funcionamento, o motorista passou a conectá-los em paralelo, usando apenas um fusível. Dessa forma, admitindo-se que a fiação suporte a carga dos dois faróis, o menor valor de fusível adequado para proteção desse novo circuito é o a) azul b) preto c) laranja d) amarelo e) vermelho (ENEM2010) a) R$ 41,80 b) R$ 42,00 c) R$ 43,00 d) R$ 43,80 e) 44,00 (ENEM2010) Observe a tabela acima. Ela traz especificações técnicas constantes no manual de instruções fornecido pelo fabricante de uma torneira elétrica.Considerando que o modelo de maior potência da versão 220 V da torneira suprema foi inadvertidamente conectada a uma rede com tensão nominal de 127 V, e que o aparelho está configurado para trabalhar em sua máxima potência. Qual o valor aproximado da potência ao ligara torneira? a) 1830 W b) 2800 W c) 3200 W d) 4030 W e) 5500 W (ENEM2010) Duas irmãs que dividem o mesmo quarto de estudos combinaram de comprar duas caixas com tampas para guardarem seus pertences dentro de suas caixas, evitando, assim, a bagunça sobre a mesa de estudos.Uma delas comprou uma metálica, e a outra, uma caixa de madeira de área e espessura lateral diferentes, para facilitara identificação. Um dia as meninas foram estudar para a prova de Física e, ao se acomodarem na mesa de estudos, guardaram seus celulares ligados dentro de suas caixas. Ao longo desse dia, uma delas recebeu ligações telefônicas, enquanto os amigos da outra tentavam ligar e recebiam a mensagem de que o celular estava fora da área de cobertura ou desligado.Para explicar essa situação, um físico deveria afirmar que o material da caixa, cujo telefone celular não recebeu as ligações é de a) madeira, e o telefone não funcionava porque a madeira não é um bom condutor de eletricidade b) metal, e o telefone não funcionava devido à blindagem eletrostática que o metal proporcionava c) metal, e o telefone não funcionava porque o metal refletia todo tipo de radiação que nele incidia d) metal, e o telefone não funcionava porque a área lateral da caixa de metal era maior e) madeira, e o telefone não funcionava porque a espessura desta caixa era maior que a espessura da caixa de metal (ENEM2013) Um eletricista analisa o diagrama de uma instalação elétrica residencial para planejar medições de tensão e corrente em uma cozinha. Nesse ambiente existem uma geladeira (G), uma tomada (T) e uma lâmpada (L), conforme a figura O eletricista deseja medir a tensão elétrica aplicada à geladeira, a corrente total e a corrente na lâmpada. Para isso, ele dispõe de um voltímetro (V) e dois amperímetros (A).Para realizar essas medidas, o esquema da ligação desses instrumentos está representado em: a) b) c) d) e) (ENEM2013) Músculos artificiais são dispositivos feitos com plásticos inteligentes que respondem a uma corrente elétrica com um movimento mecânico. A oxidação e redução de um polímero condutor criam cargas positivas e/ou negativas no material, que são compensadas com a inserção ou expulsão de cátions ou ânions. Por exemplo, na figura os filmes escuros são de polipirrol e o filme branco é de um eletrólito polimérico contendo um sal inorgânico. Quando o polipirrol sofre oxidação, há a inserção de ânions para compensar a carga positiva no polímero e o filme se expande. Na outra face do dispositivo o filme de polipirrol sofre redução, expulsando ânions, e o filme se contrai. Pela montagem, em sanduíche, o sistema todo se movimenta de forma harmônica, conforme mostrado na figura.DE PAOLI. M. A. Cadernos Temáticos de Química Nova na Escola. São Paulo, maio 2001 (adaptado).A camada central de eletrólito polimérico é importante porque a) absorve a irradiação de partículas carregadas, emitidas pelo aquecimento elétrico dos filmes de polipirrol b) permite a difusão dos íons promovida pela aplicação de diferença de potencial, fechando o circuito elétrico c) mantém um gradiente térmico no material para promover a dilatação/contração térmica de cada filme de polipirrol d) permite a condução de elétrons livres, promovida pela aplicação de diferença de potencial, gerando corrente elétrica e) promove a polarização das moléculas poliméricas, o que resulta no movimento gerado pela aplicação de diferença de potencial (ENEM2013) O chuveiro elétrico é um dispositivo capaz de transformar energia elétrica em energia térmica, o que possibilita a elevação da temperatura da água. Um chuveiro projetado para funcionar em 110 V pode ser adaptado para funcionar em 220 V, de modo a manter inalterada sua potência.Uma das maneiras de fazer essa adaptação é trocar a resistência do chuveiro por outra, de mesmo material e com o(a) a) dobro do comprimento do fio b) metade do comprimento do fio c) metade da área da seção reta do fio d) quádruplo da área da seção reta do fio e) quarta parte da área da seção reta do fio (ENEM2013) Um circuito em série é formado por uma pilha, uma lâmpada incandescente e uma chave interruptora. Ao se ligar a chave, a lâmpada acende quase instantaneamente, irradiando calor e luz. Popularmente, associa-se o fenômeno da irradiação de energia a um desgaste da corrente elétrica, ao atravessar o filamento da lâmpada, e à rapidez com que a lâmpada começa a brilhar, Essa explicação está em desacordo com o modelo clássico de corrente.De acordo com o modelo mencionado, o fato de a lâmpada acender quase instantaneamente está relacionado à rapidez com que a) o fluido elétrico se desloca no circuito b) as cargas negativas móveis atravessam o circuito c) a bateria libera cargas móveis para o filamento da lâmpada d) o campo elétrico se estabelece em todos os pontos do circuito e) as cargas positivas e negativas se chocam no filamento da lâmpada (ENEM2013) Medir temperatura é fundamental em muitas aplicações, e apresentar a leitura em mostradores digitais é bastante prático. O seu funcionamento é baseado na correspondência entre valores de temperatura e de diferença de potencial elétrico. Por exemplo, podemos usar o circuito elétrico apresentado, no qual o elemento sensor de temperatura ocupa um dos braços do circuito (RJ e a dependência da resistência com a temperatura é conhecida.Para um valor de temperatura em que Rs = 100 O, a leitura apresentada pelo voltímetro será de a) + 6,2 V b) + 1,7 V c) + 0,3 V d) - 0,3 V e) - 6,2 V (ENEM2014) Um sistema de iluminação foi construído com um circuito de três lâmpadas iguais conectadas a um gerador (G) de tensão constante. Esse gerador possui uma chave que pode ser ligada nas posições A ou B.Considerando o funcionamento do circuito dado, a lâmpada 1 brilhará mais quando a chave estiver na posição a) B, pois a corrente será maior nesse caso b) B, pois a potência total será maior nesse caso c) A, pois a resistência equivalente será menor nesse caso d) B, pois o gerador fornecerá uma maior tensão nesse caso e) A, pois a potência dissipada pelo gerador será menor nesse caso (ENEM2015) Um estudante, precisando instalar um computador, um monitor e uma lâmpada em seu quarto, verificou que precisaria fazer a instalação de duas tomadas e um interruptor na rede elétrica. Decidiu esboçar com antecedência o esquema elétrico. “O circuito deve ser tal que as tomadas e a lâmpada devem estar submetidas à tensão nominal da rede elétrica e a lâmpada deve poder ser ligada ou desligada por um interruptor sem afetar os outros dispositivos" — pensou. Símbolos adotados:Qual dos circuitos esboçados atende às exigências? a) b) c) d) e) (ENEM2016) Por apresentar significativa resistividade elétrica, o grafite pode ser utilizado para simular resistores elétricos em circuitos desenhados no papel, com o uso de lápis e lapiseiras. Dependendo da espessura e do comprimento das linhas desenhadas, é possível determinar a resistência elétrica de cada traçado produzido. No esquema foram utilizados três tipos de lápis diferentes (2H, HB e 6B) para efetuar três traçados distintos. Munido dessas informações, um estudante pegou uma folha de papel e fez o desenho de um sorvete de casquinha utilizando-se desses traçados. Os valores encontrados nesse experimento, para as resistências elétricas (R), medidas com o auxílio de um ohmímetro ligado nas extremidades das resistências, são mostrados na figura. Verificou-se que os resistores obedeciam à Lei de Ohm. Na sequência, conectou o ohmímetro nos terminais A e B do desenho e, em seguida, conectou-o nos terminais B e C, anotando as leituras RAB e RBC, respectivamente. Ao estabelecer a razão RAB/RBC , qual resultado o estudante obteve? a) 1 b) 4/7 c) 10/27 d) 14/81 e) 4/81 (ENEM2016) Três lâmpadas idênticas foram ligadas no circuito esquematizado. A bateria apresenta resistência interna desprezível, e os fios possuem resistência nula. Um técnico fez uma análise do circuito para prever a corrente elétrica nos pontos: A, B, C, D e E; e rotulou essas correntes de IA, IB, IC, ID e IE, respectivamente. O técnico concluiu que as correntes que apresentam o mesmo valor são a) IA = IE e IC = ID b) lA = lB = lE e lC = lD c) IA = IB, apenas d) IA = IB = IE, apenas e) IC = IB, apenas (ENEM2016) Um cosmonauta russo estava a bordo da estação espacial MIR quando um de seus rádios de comunicação quebrou. Ele constatou que dois capacitores do rádio de 3 μF e 7 μF ligados em série estavam queimados. Em função da disponibilidade, foi preciso substituir os capacitores defeituosos por um único capacitor que cumpria a mesma função. Qual foi a capacitância, medida em μF, do capacitor utilizado pelo cosmonauta? a) 0,10 b) 0,50 c) 2,1 d) 10 e) 21 (ENEM2016) Num dia em que a temperatura ambiente é de 37 °C, uma pessoa, com essa mesma temperatura corporal, repousa à sombra. Para regular sua temperatura corporal e mantê-la constante, a pessoa libera calor através da evaporação do suor. Considere que a potência necessária para manter seu metabolismo é 120 W e que, nessas condições, 20% dessa energia é dissipada pelo suor, cujo calor de vaporização é igual ao da água (540 cal/g). Utilize 1 cal igual a 4 J. Após duas horas nessa situação, que quantidade de água essa pessoa deve ingerir para repor a perda pela transpiração? a) 0,08 g b) 0,44 g c) 1,30 g d) 1,80 g e) 80,0 g (ENEM2016) Um eletricista deve instalar um chuveiro que tem as especificações 220 V — 4 400 W a 6 800 W. Para a instalação de chuveiros, recomenda-se uma rede própria, com fios de diâmetro adequado e um disjuntor dimensionado à potência e à corrente elétrica previstas, com uma margem de tolerância próxima de 10%. Os disjuntores são dispositivos de segurança utilizados para proteger as instalações elétricas de curtos-circuitos e sobrecargas elétricas e devem desarmar sempre que houver passagem de corrente elétrica superior à permitida no dispositivo. Para fazer uma instalação segura desse chuveiro, o valor da corrente máxima do disjuntor deve ser a) 20 A b) 25 A c) 30 A d) 35 A e) 40 A (ENEM2016) Uma lâmpada LED (diodo emissor de luz), que funciona com 12 V e corrente contínua de 0,45 A, produz a mesma quantidade de luz que uma lâmpada incandescente de 60 W de potência. Qual é o valor da redução da potência consumida ao se substituir a lâmpada incandescente pela de LED? a) 54,6 W b) 27,0 W c) 26,6 W d) 5,4 W e) 5,0 W (ENEM2017) Dispositivos eletrônicos que utilizam materiais de baixo custo, como polímeros semicondutores, têm sido desenvolvidos para monitorar a concentração de amônia (gás tóxico e incolor) em granjas avícolas. A polianilina é um polímero semicondutor que tem o valor de sua resistência elétrica nominal quadruplicado quando exposta a altas concentrações de amônia. Na ausência de amônia, a polianilina se comporta como um resistor ôhmico e a sua resposta elétrica é mostrada no gráfico. O valor da resistência elétrica da polianilina na presença de altas concentrações de amônia, em ohm, é igual a a) 0,5 x 100 b) 2,0 x 100 c) 2,5 x 105 d) 5,0 x 105 e) 2,0 x 106 (ENEM2017) Fusível é um dispositivo de proteção contra sobrecorrente em circuitos. Quando a corrente que passa por esse componente elétrico é maior que sua máxima corrente nominal, o fusível queima. Dessa forma, evita que a corrente elevada danifique os aparelhos do circuito. Suponha que o circuito elétrico mostrado seja alimentado por uma fonte de tensão U e que o fusível suporte uma corrente nominal de 500 mA. Qual é o máximo valor da tensão U para que o fusível não queime? a) 20 V b) 40 V c) 60 V d) 120 V e) 185 V (ENEM2017) No manual fornecido pelo fabricante de uma ducha elétrica de 220 V é apresentado um gráfico com a variação da temperatura da água em função da vazão para três condições (morno, quente e superquente). Na condição superquente, a potência dissipada é de 6 500 W. Considere o calor específico da água igual a 4 200 J/(kg °C) e densidade da água igual a 1 kg/L. Com base nas informações dadas, a potência na condição morno corresponde a que fração da potência na condição superquente? a) 1/3 b) 1/5 c) 3/5 d) 3/8 e) 5/8 (ENEM2017) Em algumas residências, cercas eletrificadas são utilizadas com o objetivo de afastar possíveis invasores. Uma cerca eletrificada funciona com uma diferença de potencial elétrico de aproximadamente 10 000 V. Para que não seja letal, a corrente que pode ser transmitida através de uma pessoa não deve ser maior do que 0,01 A. Já a resistência elétrica corporal entre as mãos e os pés de uma pessoa é da ordem de 1000 Ω. Para que a corrente não seja letal a uma pessoa que toca a cerca eletrificada, o gerador de tensão deve possuir uma resistência interna que, em relação à do corpo humano, é a) praticamente nula b) aproximadamente igual c) milhares de vezes maior d) da ordem de 10 vezes maior e) da ordem de 10 vezes menor (ENEM2017) A capacidade de uma bateria com acumuladores, tal como a usada no sistema elétrico de um automóvel, é especificada em ampère-hora (Ah). Uma bateria de 12 V e 100 Ah fornece 12 J para cada coulomb de carga que flui através dela. Se um gerador, de resistência interna desprezível, que fornece uma potência elétrica média igual a 600 W, fosse conectado aos terminais da bateria descrita, quanto tempo ele levaria para recarregá-la completamente? a) 0,5 h b) 2 h c) 12 h d) 50 h e) 100 h (ENEM2017) As lâmpadas econômicas transformam 80% da energia elétrica consumida em luz e dissipam os 20% restantes em forma de calor. Já as incandescentes transformam 20% da energia elétrica consumida em luz e dissipam o restante em forma de calor. Assim, quando duas dessas lâmpadas possuem luminosidades equivalentes, a econômica apresenta uma potência igual a um quarto da potência da incandescente. Quando uma lâmpada incandescente de 60 W é substituída por uma econômica de mesma luminosidade, deixa-se de transferir para o ambiente, a cada segundo, uma quantidade de calor, em joule, igual a a) 3 b) 12 c) 15 d) 45 e) 48 (ENEM2017) Uma lâmpada é conectada a duas pilhas de tensão nominal 1,5 V, ligadas em série. Um voltímetro, utilizado para medir a diferença de potencial na lâmpada, fornece uma leitura de 2,78 V e um amperímetro indica que a corrente no circuito é de 94,2 mA. O valor da resistência interna das pilhas é mais próximo de a) 0,021Ω b) 0,22Ω c) 0,26Ω d) 2,3Ω e) 29Ω (ENEM2017) A figura mostra a bateria de um computador portátil, a qual necessita de uma corrente elétrica de 2 A para funcionar corretamente. Quando a bateria está completamente carregada, o tempo máximo, em minuto, que esse notebook pode ser usado antes que ela “descarregue” completamente é a) 24,4 b) 36,7 c) 132 d) 333 e) 528 (ENEM2016) Uma família adquiriu um televisor e, no manual do usuário, constavam as especificações técnicas, como apresentado no quadro. Esse televisor permaneceu 30 dias em repouso (stand-by). Considere que a eficiência entre a geração e a transmissão de eletricidade na usina é de 30%. Que quantidade de energia, em joules, foi produzida na usina para manter o televisor em stand-by? a) 2,59 MJ b) 6,05 MJ c) 8,64 MJ d) 117MJ e) 377 MJ (ENEM2016) A utilização de placas de aquecimento solar como alternativa ao uso de energia elétrica representa um importante mecanismo de economia de recursos naturais. Um sistema de aquecimento solar com capacidade de geração de energia de 1,0 MJ/dia por metro quadrado de placa foi instalado para aquecer a água de um chuveiro elétrico de potência de 2 kW, utilizado durante meia hora por dia. A área mínima da placa solar deve ser de a) 1,0 m² b) 1,8 m² c) 2,0 m² d) 3,6 m² e) 6,0 m² (ENEM2016) Durante a formação de uma tempestade, são observadas várias descargas elétricas, os raios, que podem ocorrer: das nuvens para o solo (descarga descendente), do solo para as nuvens (descarga ascendente) ou entre uma nuvem e outra. As descargas ascendentes e descendentes podem ocorrer por causa do acúmulo de cargas elétricas positivas ou negativas, que induz uma polarização oposta no solo. Essas descargas elétricas ocorrem devido ao aumento da intensidade do(a) a) campo magnético da Terra b) corrente elétrica gerada dentro das nuvens c) resistividade elétrica do ar entre as nuvens e o solo d) campo elétrico entre as nuvens e a superfície da Terra e) força eletromotriz induzida nas cargas acumuladas no solo (ENEM2016) O choque elétrico é uma sensação provocada pela passagem de corrente elétrica pelo corpo. As consequências de um choque vão desde um simples susto até a morte. A circulação das cargas elétricas depende da resistência do material. Para o corpo humano, essa resistência varia de 1 000 Ω, quando a pele está molhada, até 100 000 Ω, quando a pele está seca. Uma pessoa descalça, lavando sua casa com água, molhou os pés e, acidentalmente, pisou em um fio desencapado, sofrendo uma descarga elétrica em uma tensão de 120 V. Qual a intensidade máxima de corrente elétrica que passou pelo corpo da pessoa? a) 1,2 mA b) 120 mA c) 8,3 A d) 833 A e) 120 kA (ENEM2016) Em um laboratório, são apresentados aos alunos uma lâmpada, com especificações técnicas de 6V e 12W, e um conjunto de 4 pilhas de 1,5V cada. Qual associação de geradores faz com que a lâmpada produza maior brilho? a) b) c) d) e) (ENEM2015) Um eletricista projeta um circuito com três lâmpadas incandescentes idênticas, conectadas conforme a figura. Deseja-se que uma fique sempre acesa, por isso é ligada diretamente aos polos da bateria, entre os quais se mantém uma tensão constante. As outras duas lâmpadas são conectadas em um fio separado, que contém uma chave. Com a chave aberta (desligada), a bateria fornece uma potência X. Assumindo que as lâmpadas obedeçam à Lei de Ohm, com a chave fechada, a potência fornecida pela bateria, em função de X, é: a) 2/3 X b) X c) 3/2 X d) 2 X e) 3 X (ENEM2015) A rede elétrica de uma residência tem tensão de 110 V e o morador compra, por engano, uma lâmpada incandescente com potência nominal de 100 W e tensão nominal de 220 V. Se essa lâmpada for ligada na rede de 110 V, o que acontecerá? a) A lâmpada brilhará normalmente, mas como a tensão é a metade da prevista, a corrente elétrica será o dobro da normal, pois a potência elétrica é o produto de tensão pela corrente b) A lâmpada não acenderá, pois ela é feita para trabalhar apenas com tensão de 220 V, e não funciona com tensão abaixo desta c) A lâmpada irá acender dissipando uma potência de 50 W, pois como a tensão é metade da esperada, a potência também será reduzida à metade d) A lâmpada irá brilhar fracamente, pois com a metade da tensão nominal, a corrente elétrica também será menor e a potência dissipada será menos da metade da nominal e) A lâmpada queimará, pois como a tensão é menor do que a esperada, a corrente será maior, ultrapassando a corrente para a qual o filamento foi projetado (ENEM2015) A figura representa um embalagem cartonada e sua constituição em multicamadas. De acordo com as orientações do fabricante, essas embalagens não devem ser utilizadas em fornos micro-ondas.A restrição citada deve-se ao fato de a a) embalagem aberta se expandir pela pressão do vapor formado em seu interior b) camada de polietíleno se danificar, colocando o alumínio em contato com o alimento c) fina camada de alumínio blindar a radiação, não permitindo que o alimento se aqueça d) absorção de radiação pelo papel, que se aquece e pode levar à queima da camada de polietileno e) geração de centelhas na camada de alumínio, que pode levar à queima da camada de papel e de polietileno (ENEM2015) Para irrigar sua plantação, um produtor rural construiu um reservatório a 20 metros de altura a partir da barragem de onde será bombeada a água. Para alimentar o motor elétrico das bombas, ele instalou um painel fotovoltaico. A potência do painel varia de acordo com a incidência solar, chegando a um valor de pico de 80 W ao meio-dia. Porém, entre as 11 horas e 30 minutos e as 12 horas e 30 minutos, disponibiliza uma potência média de 50 W. Considere a aceleração da gravidade igual a 10 m/s2 e uma eficiência de transferência energética de 100%. Qual é o volume de água, em litros, bombeado para o reservatório no intervalo de tempo citado? a) 150 b) 250 c) 450 d) 900 e) 1440 (ENEM2014) Em museus de ciências, é comum encontrarem-se máquinas que eletrizam materiais e geram intensas descargas elétricas. O gerador de Van de Graaff (Figura 1) é um exemplo, como atestam as faíscas (Figura 2) que ele produz. O experimento fica mais interessante quando se aproxima do gerador em funcionamento, com a mão, uma lâmpada fluorescente (Figura 3). Quando a descarga atinge a lâmpada, mesmo desconectada da rede elétrica, ela brilha por breves instantes. Muitas pessoas pensam que é o fato de a descarga atingir a lâmpada que a faz brilhar. Contudo, se a lâmpada for aproximada dos corpos da situação (Figura 2), no momento em que a descarga ocorrer entre eles, a lâmpada também brilhará, apesar de não receber nenhuma descarga elétrica.Disponível em: http://naveastro.com. Acesso em: 15 ago. 2012.A grandeza física associada ao brilho instantâneo da lâmpada fluorescente, por estar próxima a uma descarga elétrica, é o(a) a) carga elétrica b) campo elétrico c) corrente elétrica d) capacitância elétrica e) condutividade elétrica (ENEM2014) Recentemente foram obtidos os fios de cobre mais finos possíveis, contendo apenas um átomo de espessura, que podem, futuramente, ser utilizados em microprocessadores. O chamado nanofio, representadona figura, pode ser aproximado por um pequeno cilindro de comprimento 0,5 nm (1 nm = 10-9 m). A seção reta de um átomo de cobre é 0,05 nm2 e a resistividade do cobre é 17 Ω.nm. Um engenheiro precisa estimar-se seria possível introduzir esses nanofios nos microprocessadores atuais.AMORIM, E. P. M.; SILVA, E. Z. Ab initio study of linear atomic chains in copper nanowires. Physical Review B, v. 81, 2010 (adaptado).Um nanofio utilizando as aproximações propostas possui resistência elétrica de a) 170 nΩ b) 0,17 Ω c) 1,7 Ω d) 17 Ω e) 170 Ω (ENEM2014) Os manuais dos fornos micro-ondas desaconselham, sob pena de perda da garantia, que eles sejam ligados em paralelo juntamente a outros aparelhos eletrodomésticos por meio de tomadas múltiplas, popularmente conhecidas como “benjamins” ou “tês”, devido ao alto risco de incêndio e derretimento dessas tomadas, bem como daquelas dos próprios aparelhos. Os riscos citados são decorrentes da a) resistividade da conexão, que diminui devido à variação de temperatura do circuito b) corrente elétrica superior ao máximo que a tomada múltipla pode suportar c) resistência elétrica elevada na conexão simultânea de aparelhos eletrodomésticos d) tensão insuficiente para manter todos os aparelhos eletrodomésticos em funcionamento e) intensidade do campo elétrico elevada, que causa o rompimento da rigidez dielétrica da tomada múltipla (ENEM2014) Fusíveis são dispositivos de proteção de um circuito elétrico, sensíveis ao excesso de corrente elétrica. Os modelos mais simples consistem de um filamento metálico de baixo ponto de fusão, que se funde quando a corrente ultrapassa determinado valor, evitando que as demais partes do circuito sejam danificadas. A figura mostra um diagrama de um circuito em que o fusível F protege um resistor R de 12 Ω, uma lâmpada L de 6 W e um alto-falante que conduz 1 A.Sabendo que esse fusível foi projetado para trabalhar com uma corrente até 20% maior que a corrente nominal que atravessa esse circuito, qual é o valor, em ampères, da corrente máxima que o fusível F permite passar? a) 1,0 b) 1,5 c) 2,0 d) 2,5 e) 3,0 (ENEM2014) A figura apresenta a comparação dos gastos de três tipos de lâmpadas residenciais de mesmo brilho, durante cinco anos. Considera-se a utilização média de vinte pontos de luz, utilizando em média dez lâmpadas acesas durante 6 horas ao custo de R$ 0,30, para cada 1 kWh consumido. Ano-base = 360 diasDisponível em: http://planetasustentavel.abril.com.br. Acesso em: 2 jul. 2012 (adaptado).Com base nas informações, a lâmpada energeticamente mais eficiente, a mais viável economicamente e a de maior vida útil são, respectivamente a) fluorescente compacta, LED, LED b) LED, fluorescente compacta, LED c) fluorescente compacta, incandescente, LED d) LED, incandescente, fluorescente compacta e) fluorescente compacta, fluorescente compacta, LED (ENEM2011) Uma residência possui dois aparelhos de TV, duas geladeiras, um computador, um ferro elétrico e oito lâmpadas incandescentes. A resistência elétrica de cada equipamento está representada pela figura I. A tensão elétrica que alimenta a rede da residência é de 120 V.Um eletricista fez duas ligações, que se encontram representadas pelas figuras II e III. Com base nas informações, verifica-se que a corrente indicada pelo amperímetro da figura a) II registrará uma corrente de 10 A b) II registrará uma corrente de 12 A c) II registrará uma corrente de 0,10 A d) III registrará uma corrente de 16,6 A e) III registrará uma corrente de 0,14 A (ENEM2011) O manual de instruções de um computador apresenta as seguintes recomendações para evitar que o cabo de alimentação de energia elétrica se rompa: • Ao utilizar a fonte de alimentação, acomode adequadamente o cabo que vai conectado à tomada, evitando dobrá-lo. • Ao conectar ou desconectar o computador da tomada elétrica, segure o cabo de alimentação pelo plugue e não pelo fio. Caso o usuário não siga essas recomendações e ocorra o dano previsto, a consequência para o funcionamento do computador será a de que a) os seus componentes serão danificados por uma descarga elétrica b) a velocidade de processamento de dados diminuirá sensivelmente c) a sua fiação interna passará a sofrer um aquecimento excessivo d) o monitor utilizado passará a apresentar um brilho muito fraco e) os seus circuitos elétricos ficarão sem circulação de corrente (ENEM2011) Um detector de mentiras consiste em um circuito elétrico simples do qual faz parte o corpo humano. A inserção do corpo humano no circuito se dá do dedo indicador da mão direita até o dedo indicador da mão esquerda. Dessa forma, certa corrente elétrica pode passar por uma parte do corpo. Um medidor sensível (amperímetro) revela um fluxo de corrente quando uma tensão é aplicada no circuito. No entanto, a pessoa que se submete ao detector não sente a passagem da corrente. Se a pessoa mente, há uma ligeira alteração na condutividade de seu corpo, o que altera a intensidade da corrente detectada pelo medidor. No dimensionamento do detector de mentiras, devem ser levados em conta os parâmetros: a resistência elétrica dos fios de ligação, a tensão aplicada no circuito e a resistência elétrica do medidor. Para que o detector funcione adequadamente como indicado no texto, quais devem ser as características desses parâmetros? a) Pequena resistência dos fios de ligação, alta tensão aplicada e alta resistência interna no medidor b) Alta resistência dos fios de ligação, pequena tensão aplicada e alta resistência interna no medidor c) Alta resistência dos fios de ligação, alta tensão aplicada e resistência interna desprezível no medidor d) Pequena resistência dos fios de ligação, alta tensão aplicada e resistência interna desprezível no medidor e) Pequena resistência dos fios de ligação, pequena tensão aplicada e resistência interna desprezível no medidor (ENEM2012) No manual de uma máquina de lavar, o usuário vê o símbolo: Este símbolo orienta o consumidor sobre a necessidade de a máquina ser ligada a a) um fio terra para evitar sobrecarga elétrica b) um fio neutro para evitar sobrecarga elétrica c) um fio terra para aproveitar as cargas elétricas do solo d) uma rede de coleta de água da chuva e) uma rede de coleta de esgoto doméstico (ENEM2012) Um eletricista precisa medir a resistência elétrica de uma lâmpada. Ele dispõe de uma pilha, de uma lâmpada (L), de alguns fios e de dois aparelhos: um voltímetro (V), para medir a diferença de potencial entre dois pontos, e um amperímetro (A), para medir a corrente elétrica. O circuito elétrico montado pelo eletricista para medir essa resistência é a) b) c) d) e) (ENEM2013) Um grupo de amigos foi passar o fim de semana em um acampamento rural, onde não há eletricidade. Uma pessoa levou um gerador a diesel e outra levou duas lâmpadas, diferentes fios e bocais. Perto do anoitecer, iniciaram a instalação e verificaram que as lâmpadas eram de 60 W - 110 V e o gerador produzia uma tensão de 220 V. Para que as duas lâmpadas possam funcionar de acordo com suas especificações e o circuito tenha menor perda possível, a estrutura do circuito elétrico deverá ser de dois bocais ligados em a) série e usar fios de maior espessura b) série e usar fios de máximo comprimento c) paralelo e usar fios de menor espessura d) paralelo e usar fios de maior espessura e) paralelo e usar fios de máximo comprimento (ENEM2013) Em uma experiência didática, cinco esferas de metal foram presas em um barbante, de forma que a distância entre esferas consecutivas aumentava em progressão aritmética. O barbante foi suspenso e a primeira esfera ficou em contato com o chão. Olhando o barbante de baixo para cima, as distâncias entre as esferas ficavam cada vez maiores. Quando o barbante foi solto, o som das colisões entre duas esferas consecutivas e o solo foi gerado em intervalos de tempo exatamente iguais. A razão de os intervalos de tempo citados serem iguais é que a a) velocidade de cada esfera é constante b) força resultante em cada esfera é constante c) aceleração de cada esfera aumenta com o tempo d) tensão aplicada em cada esfera aumenta com o tempo e) energia mecânica de cada esfera aumenta com o tempo (ENEM2010) Atualmente, existem inúmeras opções de celulares com telas sensíveis ao toque (touchscreen). Para decidir qual escolher, é bom conhecer as diferenças entre os principais tipos de telas sensíveis ao toque existentes no mercado. Existem dois sistemas básicos usados para reconhecer o toque de uma pessoa:• O primeiro sistema consiste de um painel de vidro normal, recoberto por duas camadas afastadas por espaçadores. Uma camada resistente a riscos é colocada por cima de todo o conjunto. Uma corrente elétrica passa através das duas camadas enquanto a tela está operacional. Quando um usuário toca a tela, as duas camadas fazem contato exatamente naquele ponto. A mudança no campo elétrico é percebida, e as coordenadas do ponto de contato são calculadas pelo computador. • No segundo sistema, uma camada que armazena carga elétrica é colocada no painel de vidro do monitor. Quando um usuário toca o monitor com seu dedo, parte da carga elétrica é transferida para o usuário, de modo que a carga na camada que a armazena diminui. Esta redução é medida nos circuitos localizados em cada canto do monitor. Considerando as diferenças relativas de carga em cada canto, o computador calcula exatamente onde ocorreu o toque.Disponível em: http://eletronicos.hsw.uol.com.br. Acesso em: 18 set. 2010 (adaptado).O elemento de armazenamento de carga análogo ao exposto no segundo sistema e a aplicação cotidiana correspondente são, respectivamente, a) receptores — televisor b) resistores — chuveiro elétrico c) geradores — telefone celular d) fusíveis — caixa de força residencial e) capacitores — flash de máquina fotográfica (ENEM2018) Ao pesquisar um resistor feito de um novo tipo de material, um cientista observou o comportamento mostrado no gráfico tensão versus corrente. Após a análise do gráfico, ele concluiu que a tensão em função da corrente é dada pela equação V=10i + i2. O gráfico da resistência elétrica (R) do resistor em função da corrente (i) é a) b) c) d) e) (ENEM2018) Muitos smartphones e tablets não precisam mais de teclas, uma vez que todos os comandos podem ser dados ao se pressionar a própria tela. Inicialmente essa tecnologia foi proporcionada por meio das telas resistivas, formadas basicamente por duas camadas de material condutor transparente que não se encostam até que alguém as pressione, modificando a resistência total do circuito de acordo com o ponto onde ocorre o toque. A imagem é uma simplificação do circuito formado pelas placas, em que A e B representam pontos onde o circuito pode ser fechado por meio do toque. Qual é a resistência equivalente no circuito provocada por um toque que fecha o circuito no ponto A? a) 1,3 kΩ b) 4,0 kΩ c) 6,0 kΩ d) 6,7 kΩ e) 12,0 kΩ (ENEM218) Alguns peixes, como o poraquê, a enguia-elétrica da Amazônia, podem produzir uma corrente elétrica quando se encontram em perigo. Um poraquê de 1 metro de comprimento, em perigo, produz uma corrente em torno de 2 ampères e uma voltagem de 600 volts. O quadro apresenta a potência aproximada de equipamentos elétricos. O equipamento elétrico que tem potência similar àquela produzida por esse peixe em perigo é o(a) O equipamento elétrico que tem potência similar àquela produzida por esse peixe em perigo é o(a) a) exaustor b) computador c) aspirador de pó d) churrasqueira elétrica e) secadora de roupas (ENEM2018) Nos manuais de instalação de equipamentos de som há o alerta aos usuários para que observem a correta polaridade dos fios ao realizarem as conexões das caixas de som. As figuras ilustram o esquema de conexão das caixas de som de um equipamento de som mono, no qual os alto-falantes emitem as mesmas ondas. No primeiro caso, a ligação obedece às especificações do fabricante e no segundo mostra uma ligação na qual a polaridade está invertida.O que ocorre com os alto-falantes E e D se forem conectados de acordo com o segundo esquema? a) O alto-falante E funciona normalmente e o D entra em curto-circuito e não emite som b) O alto-falante E emite ondas sonoras com frequências ligeiramente diferentes do alto-falante D provocando o fenômeno de batimento c) O alto-falante E emite ondas sonoras com frequências e fases diferentes do alto-falante D provocando o fenômeno conhecido como ruído d) O alto-falante E emite ondas sonoras que apresentam um lapso de tempo em relação às emitidas pelo alto -falante D provocando o fenômeno de reverberação e) O alto-falante E emite ondas sonoras em oposição de fase às emitidas pelo alto-falante D provocando o fenômeno de interferência destrutiva nos pontos equidistantes aos alto-falantes (ENEM2018) Com o avanço das multifunções dos dispositivos eletrônicos portáteis, como os smartphones, o gerenciamento da duração da bateria desses equipamentos torna-se cada vez mais crítico. O manual de um telefone celular diz que a quantidade de carga fornecida pela sua bateria é de 1 500 mAh. A quantidade de carga fornecida por essa bateria, em coulomb, é de a) 90 b) 1500 c) 5400 d) 90000 e) 5400000 (ENEM2018) Em uma manhã ensolarada, uma jovem vai até um parque para acampar e ler. Ela monta sua barraca próxima de seu carro, de uma árvore e de um quiosque de madeira. Durante sua leitura, a jovem não percebe a aproximação de uma tempestade com muitos relâmpagos. A melhor maneira de essa jovem se proteger dos relâmpagos é a) entrar no carro b) entrar na barraca c) entrar no quiosque d) abrir um guarda-chuva e) ficar embaixo da árvore (ENEM2018) Ao dimensionar circuitos elétricos residenciais, é recomendado utilizar adequadamente bitolas dos fios condutores e disjuntores, de acordo com a intensidade de corrente elétrica demandada. Esse procedimento é recomendado para evitar acidentes na rede elétrica. No quadro é especificada a associação para três circuitos distintos de uma residência, relacionando tensão no circuito, bitolas de fios condutores e a intensidade de corrente elétrica máxima suportada pelo disjuntor.Com base no dimensionamento do circuito residencial, em qual(is) do(s) circuito(s) o(s) equipamento(s) é(estão) ligado(s) adequadamente? a) Apenas no Circuito 1 b) Apenas no Circuito 2 c) Apenas no Circuito 3 d) Apenas nos Circuitos 1 e 2 e) Apenas nos Circuitos 2 e 3 (ENEM2018) Baterias de lítio, utilizadas em dispositivos eletrônicos portáteis, são constituídas de células individuais com ddp de 3,6 V. É comum os fabricantes de computadores utilizarem as células individuais para a obtenção de baterias de 10,8 V ou 14,4 V. No entanto, fazem a propaganda de seus produtos fornecendo a informação do número de células da bateria e sua capacidade de carga em mAh, por exemplo, 4 400 mAh. Disponível em: www.laptopbattery.net. Acesso em: 15 nov. 2011 (adaptado). Dentre as baterias de 10,8 V e 14,4 V, constituídas por 12 células individuais, qual possui maior capacidade de carga? a) A bateria de 10,8 V, porque possui combinações em paralelo de 4 conjuntos com 3 células em série b) A bateria de 14,4 V, porque possui combinações em paralelo de 3 conjuntos com 4 células em série c) A bateria de 14,4 V, porque possui combinações em série de 3 conjuntos com 4 células em paralelo d) A bateria de 10,8 V, porque possui combinações em série de 4 conjuntos com 3 células em paralelo e) A bateria de 10,8 V, porque possui combinações em série de 3 conjuntos com 4 células em série (ENEM2019) Uma casa tem um cabo elétrico mal dimensionado, de resistência igual a 10 Ω, que a conecta à rede elétrica de 120 V. Nessa casa, cinco lâmpadas, de resistência igual a 200 Ω, estão conectadas ao mesmo circuito que uma televisão de resistência igual a 50 Ω, conforme ilustrado no esquema. A televisão funciona apenas com tensão entre 90 V e 130 V.O número máximo de lâmpadas que podem ser ligadas sem que a televisão pare de funcionar é: a) 1 b) 2 c) 3 d) 4 e) 5 (ENEM2019) Uma das formas de se obter energia elétrica é usar uma lente convergente circular para concentrar os raios de sol em um único ponto, aquecendo um dispositivo localizado nesse ponto a uma temperatura elevada. Com a transformação da energia luminosa em energia térmica, pode ser criado vapor-d’água que moverá uma turbina e gerará energia elétrica. Para projetar um sistema de geração de energia elétrica, a fim de alimentar um chuveiro elétrico de 2 000 W de potência, sabe-se que, neste local, a energia recebida do Sol é 1 000 W/m2 . Esse sistema apresenta taxa de eficiência de conversão em energia elétrica de 50% da energia solar incidente. Considere √π = 1,8.Qual deve ser, em metro, o raio da lente para que esse sistema satisfaça aos requisitos do projeto? a) 0,28 b) 0,32 c) 0,40 d) 0,80 e) 1,11 (ENEM2020) Um estudante tem uma fonte de tensão com corrente contínua que opera em tensão fixa de 12 V. Como precisa alimentar equipamentos que operam em tensões menores, ele emprega quatro resistores de 100 Ω para construir um divisor de tensão. Obtém-se este divisor associando os resistores, como exibido na figura. Os aparelhos podem ser ligados entre os pontos A, B, C, D e E, dependendo da tensão especificada.Ele tem um equipamento que opera em 9,0 V com uma resistência interna de 10 kΩ.Entre quais pontos do divisor de tensão esse equipamento deve ser ligado para funcionar corretamente e qual será o valor da intensidade da corrente nele estabelecida? a) Entre A e C; 30 mA b) Entre B e E; 30 mA c) Entre A e D; 1,2 mA d) Entre B e E; 0,9 mA e) Entre A e E; 0,9 mA (ENEM2020) DAVIS, J. Disponível em: http://garfield.com. Acesso em: 10 fev. 2015 Por qual motivo ocorre a eletrização ilustrada na tirinha? a) Troca de átomos entre a calça e os pelos do gato b) Diminuição do número de prótons nos pelos do gato c) Criação de novas partículas eletrizadas nos pelos do gato d) Movimentação de elétrons entre a calça e os pelos do gato e) Repulsão entre partículas elétricas da calça e dos pelos do gato (ENEM2020) Há muitos mitos em relação a como se proteger de raios, cobrir espelhos e não pegar em facas, garfos e outros objetos metálicos, por exemplo. Mas, de fato, se houver uma tempestade com raios, alguns cuidados são importantes, como evitar ambientes abertos. Um bom abrigo para proteção é o interior de um automóvel, desde que este não seja conversível.OLIVEIRA, A. Raios nas tem pestades de verão. Disponível em: http://cienciahoje.uol.com.br. Acesso em: 10 dez. 2014 (adaptado),Qual o motivo físico da proteção fornecida pelos automóveis, conforme citado no texto? a) Isolamento elétrico dos pneus b) Efeito de para-raios da antena c) Blindagem pela carcaça metálica d) Escoamento da água pela lataria e) Aterramento pelo fio terra da bateria (ENEM2020) Uma pessoa percebe que a bateria de seu veículo fica descarregada após cinco dias sem uso. No início desse período, a bateria funcionava normalmente e estava com o total de sua carga nominal, de 60 Ah. Pensando na possibilidade de haver uma corrente de fuga, que se estabelece mesmo com os dispositivos elétricos do veículo desligados, ele associa um amperímetro digital ao circuito do veículo.Qual dos esquemas indica a maneira com que o amperímetro deve ser ligado e a leitura por ele realizada? a) b) c) d) e) (ENEM2021) Diversos brinquedos são constituídos de pilhas ligadas a um motor elétrico. A figura mostra uma pilha e um motor acoplados, em que ε representa a força eletromotriz (FEM) da pilha, ε’ representa a força contraeletromotriz (FCEM) do motor e r e r’ são resistências internas. Um problema comum que danifica esses brinquedos é o travamento do eixo do motor. O que ocorre com a FCEM e com a energia fornecida pelas pilhas, que ocasiona danos ao motor, quando seu eixo de rotação é travado? a) A FCEM iguala-se com a FEM e toda a energia fornecida pela pilha fica armazenada no circuito b) A FCEM sofre grande aumento e toda a energia fornecida pela pilha passa a ser dissipada na forma de calor c) A FCEM inverte a polaridade e toda a energia fornecida pela pilha é devolvida para ela na forma de energia potencial d) A FCEM reduz-se a zero e toda a energia fornecida pela pilha passa a ser dissipada na resistência interna do motor e) A FCEM mantém-se constante e toda a energia fornecida pela pilha continua sendo transformada em energia mecânica (ENEM2021) O adaptador de tomada tipo T (Figura 1) é um acessório utilizado em domicílios para ligar vários aparelhos eletrodomésticos em uma única tomada. Conectar três aparelhos de alta potência em um mesmo adaptador pode superaquecê-lo e, consequentemente, provocar um incêndio. O circuito da Figura 2A representa um aparelho de resistência elétrica R ligado ao adaptador de resistência elétrica r. Na Figura 2B está representado um circuito com três aparelhos de resistência elétrica R ligados ao mesmo adaptador. Em ambos os circuitos, os pontos C e D são os terminais de uma mesma tomada elétrica. Considere todos os resistores ôhmicos.Comparando-se a Figura 2B com a Figura 2A, verifica-se que o possível superaquecimento do adaptador de tomada acontece em decorrência do aumento da a) tensão em R b) corrente em R c) tensão entre C e D d) corrente entre C e D e) resistência equivalente entre C e D (ENEM2021) As células fotovoltaicas (placas semicondutoras compostas de silício) são os componentes principais dos painéis solares e são capazes de converter, com certa eficiência, parte da energia dos raios solares em energia elétrica. Essa conversão é causada pelo fenômeno físico denominado “efeito fotoelétrico”, que pode ocorrer em uma variedade de materiais, incluindo metais e semicondutores. Na superfície dos metais, a sequência de eventos que caracteriza esse efeito, de forma simplificada, é a a) absorção de fótons e a emissão de elétrons b) absorção de elétrons e a emissão de fótons c) emissão de fótons e a absorção de elétrons d) absorção e a emissão de elétrons e) absorção e a emissão de fótons (ENEM2021) O desfibrilador salva vidas de pessoas que são acometidas por ataques cardíacos ou arritmias. Ele dispõe de um capacitor que pode ser carregado por uma fonte com uma alta tensão. Usando o desfibrilador, pode-se fornecer energia ao coração, por meio de um choque elétrico, para que ele volte a pulsar novamente em seu ritmo normal. Um socorrista dispõe de um desfibrilador com capacitor de 70 microfarads que pode armazenar cerca de 220 J de energia, quando conectado a uma tensão de 2 500 V. O valor da carga armazenada por esse desfibrilador, em coulomb, é de a) 0,015 b) 0,088 c) 0,175 d) 3,15 e) 11,4 (ENEM2021) Nos chuveiros elétricos, a água entra em contato com uma resistência aquecida por efeito Joule. A potência dissipada pelo aparelho varia em função da tensão à qual está ligado e do valor da resistência elétrica escolhida com a chave seletora. No quadro estão indicados valores de tensão e as possíveis resistências para cinco modelos de chuveiro. Nesse quadro, o valor das resistências é medido a partir da extremidade esquerda.Qual chuveiro apresenta a maior potência elétrica? a) A b) B c) C d) D e) E (ENEM2021) Um cordão de 200 pequenas lâmpadas é utilizado em árvores de Natal. Uma pessoa verifica que, ao retirar somente uma lâmpada de qualquer posição, outras nove não acendem mais, porém as demais 190 lâmpadas permanecem em pleno funcionamento. Com base nessa informação, ela tenta identificar a estrutura do circuito e a relação entre os valores das quantidades físicas envolvidas, entre as quais a razão entre as intensidades da corrente elétrica em uma das lâmpadas e da corrente elétrica total no cordão com as 200 lâmpadas ligadas.O valor dessa razão é igual a a) 1/200 b) 1/100 c) 1/20 d) 1/10 e) 1 (ENEM2021) Carros elétricos estão cada vez mais baratos, no entanto, os órgãos governamentais e a indústria se preocupam com o tempo de recarga das baterias, que é muito mais lento quando comparado ao tempo gasto para encher o tanque de combustível. Portanto, os usuários de transporte individual precisam se conscientizar dos ganhos ambientais dessa mudança e planejar com antecedência seus percursos, pensando em pausas necessárias para recargas. Após realizar um percurso de 110 km, um motorista pretende recarregar as baterias de seu carro elétrico, que tem um desempenho médio de 5,0 km/kWh, usando um carregador ideal que opera a uma tensão de 220 V e é percorrido por uma corrente de 20 A.Quantas horas são necessárias para recarregar a energia utilizada nesse percurso? a) 0,005 b) 0,125 c) 2,5 d) 5,0 e) 8,0 (ENEM2021) Um garoto precisa montar um circuito que acenda três lâmpadas de cores diferentes, uma de cada vez. Ele dispõe das lâmpadas, de fios, uma bateria e dois interruptores, como ilustrado, junto com seu símbolo de três pontos. Quando esse interruptor fecha AB, abre BC e vice-versa.O garoto fez cinco circuitos elétricos usando os dois interruptores, mas apenas um satisfaz a sua necessidade. Esse circuito é representado por a) b) c) d) e) (ENEM2021) Cientistas da Universidade de New South Wales, na Austrália, demonstraram em 2012 que a Lei de Ohm é válida mesmo para fios finíssimos, cuja área da seção reta compreende alguns poucos átomos. A tabela apresenta as áreas e comprimentos de alguns dos fios construídos (respectivamente com as mesmas unidades de medida). Considere que a resistividade mantém-se constante para todas as geometrias (uma aproximação confirmada pelo estudo).As resistências elétricas dos fios, em ordem crescente, são a) R1 < R2 < R3 < R4 b) R2 < R1 < R3 < R4 c) R2 < R3 < R1 < R4 d) R4 < R1 < R3 < R2 e) R4 < R3 < R2 < R1 (ENEM2021) Duas esferas carregadas com cargas iguais em módulo e sinais contrários estão ligadas por uma haste rígida isolante na forma de haltere. O sistema se movimenta sob ação da gravidade numa região que tem um campo magnético horizontal uniforme B, da esquerda para a direita. A imagem apresenta o sistema visto de cima para baixo, no mesmo sentido da aceleração da gravidade g que atua na região.Visto de cima, o diagrama esquemático das forças magnéticas que atuam no sistema, no momento inicial em que as cargas penetram na região de campo magnético, está representado em a) b) c) d) e) (ENEM2021) É possível ligar aparelhos elétricos de baixa corrente utilizando materiais comuns de laboratório no lugar das tradicionais pilhas. A ilustração apresenta uma montagem que faz funcionar um cronômetro digital.Utilizando a representação de projetos elétricos, o circuito equivalente a esse sistema é a) b) c) d) e) (ENEM2021) Um garoto precisa montar um circuito que acenda três lâmpadas de cores diferentes, uma de cada vez. Ele dispõe das lâmpadas, de fios, uma bateria e dois interruptores, como ilustrado, junto com seu símbolo de três pontos. Quando esse interruptor fecha AB, abre BC e vice-versa. O garoto fez cinco circuitos elétricos usando os dois interruptores, mas apenas um satisfaz a sua necessidade. Esse circuito é representado por a) b) c) d) e) (ENEM2022) Buscando conhecer as informações técnicas de um ferro elétrico para avaliar o consumo de energia, um estudante identifica algumas informações desse eletrodoméstico fornecidas pelo fabricante, como mostra a figura. Sabe-se que esse aparelho é utilizado, em média, 30 minutos por dia, durante 30 dias. GREF. Física 3: Eletromagnetismo. São Paulo: Edusp, 1993 (adaptado). Qual é o valor mais próximo do consumo mensal de energia desse eletrodoméstico, em kWh? a) 0,87 b) 1,73 c) 3,45 d) 11,3 e) 22,5 (ENEM2022) Baterias são dispositivos que acumulam energia e estão presentes em inúmeros aparelhos portáteis. Uma bateria ideal não possui resistência interna. Entretanto, baterias reais apresentam resistência interna disponibilizando uma tensão efetiva V inferior à sua tensão nominal £, conforme a figura. Uma vez que se sabe o valor da tensão nominal da bateria, determina-se sua carga pelo conhecimento da corrente i enquanto está conectada a um circuito de resistência R, de tensão efetiva V, e da resistência interna r da bateria. De posse de um voltímetro de um amperímetro e de uma resistência-teste R, a configuração adequada para avaliar a carga da bateria é: a) b) c) d) e) (ENEM2022) No manual de instruções de um conjunto de 30 lâmpadas idênticas, usadas para enfeite, está especificado que o conjunto deve ser ligado em uma rede elétrica de 120 V resultando em uma corrente total de 4,5 A. No entanto, o manual não informa a potência nominal de cada lâmpada para a aquisição de lâmpadas individuais de reposição em caso de queima. Depois de ligar o conjunto, percebe-se que, ao retirar qualquer lâmpada, um terço das demais não acende.Qual a potência nominal de cada lâmpada? a) 4 W b) 18 W c) 55 W d) 180 W e) 540 W (ENEM2022) Pretende-se construir um banheiro em uma área externa, no qual serão instalados dois chuveiros elétricos que podem ser ligados simultaneamente, cada um com consumo de 5,5 kW. A tensão disponível na rede elétrica é de 220 V. Sabe-se que quanto maior for a área de seção reta de um cabo elétrico maior será a intensidade de corrente que ele conseguirá suportar, porém, maior será o seu custo. Portanto, deve ser selecionado o cabo de menor área de seção reta que seja capaz de suportar a corrente requerida para a instalação. No quadro são apresentados os valores nominais de área de seção reta de cabos elétricos comumente encontrados no mercado (com isolamento térmico), com suas correspondentes correntes máximas. O cabo que apresenta o menor custo e que suporta a corrente total necessária na fiação dos chuveiros é o que tem a área de seção reta, em mm2 , igual a: a) 0,5 b) 1,5 c) 2,5 d) 6,0 e) 16,0 (ENEM2022) O manual de uma ducha elétrica informa que seus três níveis de aquecimento (morno, quente e superquente) apresentam as seguintes variações de temperatura da água em função de sua vazão: Utiliza-se um disjuntor para proteger o circuito dessa ducha contra sobrecargas elétricas em qualquer nível de aquecimento. Por padrão, o disjuntor é especificado pela corrente nominal igual ao múltiplo de 5 A imediatamente superior à corrente máxima do circuito. Considere que a ducha deve ser ligada em 220 V e que toda a energia é dissipada através da resistência do chuveiro e convertida em energia térmica transferida para a água, que apresenta calor específico de 4,2 J/gºC e densidade de 1 000 g/L. O disjuntor adequado para a proteção dessa ducha é especificado por: a) 60 A b) 30 A c) 20 A d) 10 A e) 5 A (ENEM2022) Em 2017, foi inaugurado, no estado da Bahia, o Parque Solar Lapa, composto por duas usinas (Bom Jesus da Lapa e Lapa) e capaz de gerar cerca de 300 GWh de energia por ano. Considere que cada usina apresente potência igual a 75 MW, com o parque totalizando uma potência instalada de 150 MW. Considere ainda que a irradiância solar média é de 1 500 W/m2 e que a eficiência dos painéis é de 20%. Parque Solar Lapa entra em operação. Disponível em: Wwww.canaibioenergia.com.br. Acesso em: 9 jun. 2022 (adaptado). Nessas condições, a área total dos painéis solares que compõem o Parque Solar Lapa é mais próxima de: a) 1000000 m² b) 500 000 m² c) 250 000 m² d) 100 000 m² e) 20 000m² (ENEM2022) O quadro mostra valores de corrente elétrica e seus efeitos sobre o corpo humano. Corrente elétrica Dano Físico Até 10 mA Dor e contração muscular De 10 mA até 20 mA Aumento das contrações musculares De 20 mA até 100 mA Parada respiratória De 100 mA até 3A Fibrilação ventricular Acima de 3 A Parada cardíaca e queimaduras A corrente elétrica que percorrerá o corpo de um indivíduo depende da tensão aplicada e da resistência elétrica média do corpo humano. Esse último fator está intimamente relacionado com a umidade da pele, que seca apresenta resistência elétrica da ordem de 500 kΩ, mas, se molhada, pode chegar a apenas 1 kΩ. Apesar de incomum, é possível sofrer um acidente utilizando baterias de 12 V. Considere que um indivíduo com a pele molhada sofreu uma parada respiratória ao tocar simultaneamente nos pontos A e B de uma associação de duas dessas baterias. DURAN, J. E. R. Biofísica: fundamentos e aplicações. São Paulo: Pearson Prentice Hall, 2003 (adaptado). Qual associação de baterias foi responsável pelo acidente? a) b) c) d) e) (ENEM2022) Uma lantema funciona com três pilhas de resistência interna igual a 0, 5 Ω cada, ligadas em série. Quando posicionadas corretamente, devem acender a lâmpada incandescente de especificações 4,5 W e 4,5 V. Cada pilha na posição correta gera uma f.e.m. (força eletromotriz) de 1,5V. Uma pessoa ao trocar as pilhas da lanterna, comete o equivoco de inverter a posição de uma das pilhas. Considere que as pilhas mantêm contato independentemente da posição. Com esse equivoco, qual é a intensidade de corrente que passa pela lâmpada ao se ligar a lanterna? a) 0,25 A b) 0,33 A c) 0,75 A d) 1,00 A e) 1,33 A (ENEM2022) A fim de classificar as melhores rotas em um aplicativo de trânsito, um pesquisador propõe um modelo com base em circuitos elétricos. Nesse modelo, a corrente representa o número de carros que passam por um ponto da pista no intervalo de 1 s. A diferença de potencial (d.d.p.) corresponde à quantidade de energia por carro necessária para o deslocamento de 1 m. De forma análoga à lei de Ohm, cada via é classificada pela sua resistência, sendo a de maior resistência a mais congestionada. O aplicativo mostra as rotas em ordem crescente, ou seja, da rota de menor para a de maior resistência. Nesse teste, a ordenação das rotas indicadas pelo aplicativo será: Como teste para o sistema, são utilizadas três possíveis vias para uma viagem de A até B, com os valores de d.d.p. e corrente conforme a tabela. a) 1, 2, 3 b) 1, 3, 2 c) 2, 1, 3 d) 3, 1, 2 e) 3, 2, 1 (ENEM2023) O circuito com três lâmpadas incandescentes idênticas, representado na figura, consiste em uma associação mista de resistores. Cada lâmpada (L 1 , L2 e L3 ) é associada, em paralelo, a um resistor de resistência R, formando um conjunto. Esses conjuntos são associados em série, tendo todas as lâmpadas o mesmo brilho quando ligadas à fonte de energia. Após vários dias em uso, apenas a lâmpada L2 queima, enquanto as demais permanecem acesas.Em relação à situação em que todas as lâmpadas funcionam, após a queima de L2, os brilhos das lâmpadas serão a) os mesmos b) mais intensos c) menos intensos d) menos intenso para L 1 e o mesmo para L3 e) mais intenso para L 1 e menos intenso para L3 (ENEM2023) A preocupação com a sustentabilidade faz com que se procurem, cada vez mais, métodos eficientes para a economia de energia elétrica. Um procedimento que se pode adotar é a substituição das lâmpadas incandescentes por lâmpadas de LED nas residências. Uma lâmpada incandescente, que opera 8 horas por dia, foi substituída por uma de LED. Elas apresentam 60 W e 8 W de potência nominal de consumo, respectivamente.A redução do consumo de energia elétrica, em quilowatt-hora, obtida durante trinta dias foi a) 0,24 b) 1,80 c) 1,92 d) 12,48 e) 14,40 (ENEM2023) Carregadores elétricos são projetados para fornecerem energia a baterias recarregáveis, como as usadas em aparelhos celulares e máquinas fotográficas. As especificações típicas de um desses dispositivos são:Carregador: Entrada AC 100-240 V / 200 mA / 50-60 Hz Saída DC 5,0 V / 1 000 mABateria recarregável: 1,5 V / 4 000 mAhUsando o carregador com corrente máxima, o tempo total de recarga dessa bateria totalmente descarregada, em hora, é a) 1/6 b) 5/6 c) 4 d) 6 e) 8 (ENEM2023) Um multímetro pode atuar como voltímetro (leitura em volt) ou como amperímetro (leitura em ampère), dependendo da função selecionada. A forma de conectar o multímetro ao circuito depende da grandeza física a ser medida. Uma lâmpada de lanterna, de resistência elétrica igual a 40 Ω, brilha quando conectada a quatro pilhas em série, cada uma com 1,5 V de tensão elétrica. O multímetro 2 indica o valor 5,62, conforme a figura, e o multímetro 1 está conectado, porém desligado.Ao se ligar o multímetro 1, a grandeza física e o seu valor correspondente indicados na tela são, respectivamente, a) corrente elétrica e 0,14 b) corrente elétrica e 0,15 c) corrente elétrica e 0,29 d) tensão elétrica e 0,14 e) tensão elétrica e 225 (ENEM2023) Em virtude do frio intenso, um casal adquire uma torneira elétrica para instalar na cozinha. Um eletricista é contratado para fazer um novo circuito elétrico para a cozinha, cuja corrente será de 30 A, com a finalidade de alimentar os terminais da torneira elétrica. Ele utilizou um par de fios de cobre, de área da seção reta igual a 4 mm2 e de 28 m de comprimento total, desde o quadro de distribuição (onde ficam os disjuntores) até a cozinha. A tensão medida na saída do quadro de distribuição é 220 V. Considere que a resistividade do fio de cobre é de 1,7 x 10-8 Ω . m.Considerando a resistência da fiação, a tensão aplicada aos terminais da torneira é mais próxima de a) 211 V b) 213 V c) 216 V d) 219 V e) 220 V (ENEM2023) No circuito elétrico, estão associadas quatro lâmpadas elétricas idênticas A, B, C e D. Considere a fonte de tensão (V) ideal. Comparando-se o brilho das lâmpadas, se a lâmpada A queimar, de modo que não possa conduzir corrente elétrica, observa-se que a) as lâmpadas B e D apagam-se, e C permanece acesa com o mesmo brilho b) a lâmpada B apaga-se, a C permanece acesa com mesmo brilho e D permanece apagada c) a lâmpada B apaga-se, a C permanece acesa com maior brilho e D permanece acesa com o mesmo brilho d) a lâmpada B apaga-se, a C permanece acesa com o mesmo brilho e D permanece acesa com maior brilho e) as lâmpadas C e D permanecem acesas com o mesmo brilho e B permanece acesa com maior brilho (ENEM2023) As usinas nucleares utilizam o princípio da fissão nuclear para gerar energia elétrica. Dentro do reator, nêutrons colidem com átomos de urânio, que se dividem em dois novos átomos, liberando de dois a três nêutrons do núcleo, em uma reação em cadeia. Esse processo libera muito calor, que é utilizado para gerar energia. Porém, é necessário um sistema de arrefecimento para evitar uma explosão. Para isso, a água captada de fontes naturais circula em um sistema fechado e depois volta para o meio ambiente.Caso esse sistema não ocorra de maneira adequada, será gerado um impacto negativo porque a) produzirá gases tóxicos b) diminuirá a reserva hídrica local c) aquecerá os ecossistemas aquáticos d) aumentará a disponibilidade de nutrientes e) permitirá a contaminação por microrganismos (ENEM2023) Detectores de fumaça baseados em ionização funcionam como se fossem um “nariz eletrônico”, acusando a presença de moléculas incomuns (fumaça) em seu interior. Dentro do aparelho, conforme esquematizado na figura, existe uma câmara de ionização aberta para o ar (1) e preenchida com íons (2) formados pelos choques das moléculas do ar com as partículas emitidas pelo elemento químico amerício 95 243Am (3). O amerício expele, no interior da câmara, pequenas partículas radioativas, chamadas partículas alfa, que são núcleos de átomos de 2 4 He. Com o choque, são formados cátions e elétrons, que transitam em direções opostas entre dois eletrodos. Enquanto houver cátions e elétrons se movendo no interior da câmara, uma corrente se estabelece entre os eletrodos no circuito (4) e, por se considerar que tudo está bem, o alarme (5) permanece em silêncio. Entretanto, se um incêndio acontecer, partículas de fumaça entram no detector e começam a obstruir a câmara de ionização (6). As partículas de fumaça se prendem aos íons, e o circuito no detector acusa essa mudança imediatamente (7), acionando o alarme (8). Assim que o incêndio é controlado, e a fumaça é removida, a câmara de detecção fica limpa, os íons voltam a se deslocar entre os eletrodos como antes, o circuito é desligado e o alarme para de tocar. O sensor percebe a fumaça quando ela interrompe o(a) a) fissão nuclear do gás hélio b) passagem de corrente elétrica c) transmutação das moléculas do ar d) decaimento radioativo do amerício e) fusão nuclear entre o hélio e o amerício (ENEM2023) Para reduzir a poluição atmosférica gerada pela emissão de fumaça por grandes indústrias, utilizam-se precipitadores eletrostáticos. Sua função é suprimir os gases poluentes antes que sejam lançados para a atmosfera. A figura ilustra um precipitador constituído, basicamente, por uma entrada e uma saída de gases e por um fio grosso de cobre, conectado a uma fonte de tensão. O acúmulo de cargas no fio de cobre induz a polarização das partículas poluentes. Os gases poluídos são injetados pela entrada de gases, e os gases sem poluentes são lançados na atmosfera pela saída do precipitador. No precipitador eletrostático, as partículas poluentes são a) atraídas e se acumulam no fio carregado b) decompostas em moléculas não poluentes c) ionizadas e podem ser lançadas na atmosfera d) repelidas pelo fio carregado e se acumulam na parede do tubo e) induzidas a fazer ligações iônicas, formando íons não poluentes Time's up